" /> TN Elektro - Page 20 of 67 -

Pengukuran Listrik Satu Fasa Driving System

Energimeter merupakan instrumen yang paling banyak dipakai untuk mengukur konsumsi energi listrik pada suatu instalasi listrik domestik maupun komersial. Energi listrik diukur dalam satuan kilo watt-jam (kWh) dengan energimeter. Oleh karena itu energimeter juga lazim disebut sebagai kWh-meter. Driving system pada energimeter terdiri dari dua elektromagnetik dari baja silikon berlaminasi, shunt magnet dan series magnet seperti diperlihatkan dalam Gambar 7.12. ...

Read More »

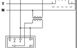
Penyambungan Wattmeter Secara Tak Langsung

Sampai sejauh ini yang kita lakukan adalah penyambungan meter baik ampermeter, voltmeter dan wattmeter secara langsung. Penyambungan meter secara langsung hanya dapat diterapkan pada beban rendah. Bagi beban tinggi di mana arus fasanya besar dan mungkin juga tegangan fasanya, maka dilakukan cara lain yaitu penyambungan meter secara tidak langsung. Penyambungan secar tidak langsung dilakukan dengan memanfaatkan trafo ukur yang terdiri ...

Read More »

Besaran Resistansi

Besaran resistansi suatu resistor dibaca dari posisi cincin yang paling depan ke arah cincin toleransi. Biasanya posisi cincin toleransi ini berada pada badan resistor yang paling pojok atau juga dengan lebar yang lebih menonjol, sedangkan posisi cincin yang pertama agak sedikit ke dalam. Dengan demikian pemakai sudah mengetahui berapa toleransi dari resistor tersebut.Kalau kita telah bisa menentukan mana cincin yang ...

Read More »

Materi IC Timer 555

IC NE555 yang mempunyai 8 pin (kaki) ini merupakan salah satu komponen elektronika yang cukup terkenal, sederhana, dan serba guna dengan ukurannya yang kurang dari 1/2 cm3 (sentimeter kubik). Pada dasarnya aplikasi utama IC NE555 ini digunakan sebagai timer (Pewaktu) dengan operasi rangkaian monostable dan Pulse Generator (Pembangkit Pulsa) dengan operasi rangkaian astable. Selain itu, dapat juga digunakan sebagai Time ...

Read More »

Pengukuran Daya Tiga Fasa Dengan Wattmeter

Pengukuran Daya Tiga Fasa dengan Satu Wattmeter Pengukuran daya tiga fasa dengan satu wattmeter hanya dapat diterapkan bila beban tiga fasa dalam keadaan seimbang (simetris). Beban tiga fasa dikatakan seimbang bila arus yang mengalir pada setiap fasanya sama, dengan demikian daya yang dipikul oleh setiap fasanya sama. Sehingga daya totalnya adalah tiga kali daya masing-masing fasa. Misalkan wattmeter pada gambar ...

Read More »

Teori Dasar Transformator

Transformator (trafo) ialah alat listrik/elektronika yang berfungsi memindahkan tenaga (daya) listrik dari input ke output atau dari sisi primer ke sisi sekunder. Pemindahan daya listrik dari primer ke sekunder disertai dengan perubahan tegangan baik naik maupun turun. Ada dua jenis trafo yaitu trafo penaik tegangan (step up transformer) dan trafo penurun tegangan (step down transformer). Jika tegangan primer lebih kecil ...

Read More »