" /> Sistem Pengukuran Energi Listrik Tiga Fasa - TN Elektro
Home > Dasar Pengukuran Listrik > Analisis Rangkaian Arus Searah > Sistem Pengukuran Energi Listrik Tiga Fasa

Sistem Pengukuran Energi Listrik Tiga Fasa

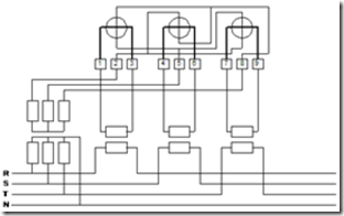
Pada gambar 7.16 diperlihatkan konstruksi kWh-meter tiga fasa dan pengawatannya. KWh-meter tiga fasa mempunyai sepuluh terminal. Torsi yang mengerakkan piringan putarnya merupakan penjumlahan torsi masing-masing fasa. Selanjutnya piringan putarnya menggerakkan mekanik pencatat, dan dikalibrasikan untuk menunjukkan energi total yang digunakan oleh jaringan sistem tiga fasa. Untuk keperluan penentuan konsumsi energi yang telah digunakan pemakai, maka dibedakan kWh-meter tarif Tunggal dan kWh-meter tarif Ganda.

kWh-meter tarif Ganda digunakan untuk mengukur energi (kAh) selama waktu Beban Puncak (WBP) dan selama waktu di-Luar Beban Puncak (LWBP). kWh-meter tarif Ganda mempunyai dua skala pembacaan yaitu untuk WBP dan LWBP. Untuk mengatur waktu beban ini digunakan sebuah time switch (rele waktu). Untuk pengukuran konsumsi energi (kWh) pada sistem tiga fasa, dapat ditempuh dengan dua cara yaitu:
– menggunakan kWh-meter tiga fasa sistem 3 kawat
– menggunakan kWh-meter tiga fasa sistem 4 kawat

Berikut ini diberikan contoh pelat nama pada sebuah kWh meter tiga fasa, tarif ganda, buatan Indonesia.
image
Gambar 7.16 Pelat Nama kWh-meter Tiga Fasa, 4 kawat

image
Gambar 7.17 Pengawatan kWh-meter Tiga Fasa, 4 kawat

image
Gambar 7.18 Pengawatan kWh-meter Tiga fasa