" /> Resistor Networks Series and Parallel - TN Elektro
Home > English > Resistor Networks Series and Parallel

Resistor Networks Series and Parallel

A. The series Series
If we connect the two prisoners in a row as in Figure 1:32, then the circuit is called a series of series / series.
image
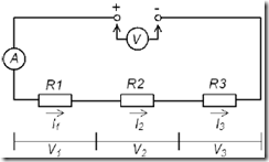
Figure 2.11. Series with two resistors

From the graph above shows that the magnitude of VR is the sum of the voltage drop on each resistor. If the series with three resistors connected to the battery voltage, the current will flow from the battery through the three prisoners.
image
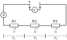
Figure 2.12. Series with a voltage source

Strong currents in all parts of the series circuit is as much, not only the three prisoners who can be linked to a row, but the series circuit may comprise two, three, and four or more inmates.
If we measure the voltage at the first detainees are: V1; The second voltage is: V2; and the third voltage is: V3, it turns out that the sum of the voltage is the same as the battery voltage.
Vs = V1 + V2 + V3

Because V1 = I1 · R1; V2 = I2 · R2; V3 = I3 · R3 and Vs = IS · Rt then:
IS · Rt = I1 · I2 · R1 + R2 + I3 · R3

Because the third series circuit energized prisoners are the same then:
Is = I1 = I2 = I3, so
Rt = R1 + R2 + R3

B. Parallel Resistor Networks
Some users of electrical equipment connected together at one voltage. This kind of relationship is called: the relationship rows / parallel. All electrical equipment is usually associated rows in the voltage available.
image
Figure 2.13. Parallel circuit with two resistors

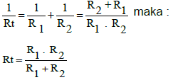
From the graph above shows that the magnitude ITotal is the sum of the current flowing in each resistor. For the second series circuit prisoners:
image

Series circuit Parallel C. (Mixture)
Series-parallel circuits (mixed), there are prisoners who are connected in series and parallel the series. To calculate the replacement prisoners, prisoners are grouped. Prisoners are connected in series and the series is calculated in parallel computed in parallel.