" /> Electrical Energy Consumption Calculation - TN Elektro
Home > English > Electrical Energy Consumption Calculation

Electrical Energy Consumption Calculation

In some cases the required compute power needs an electrical equipment to ensure the amount of consumption of electric energy used by an electrical equipment. For practical purposes, usually electrical power encoded premises large letters P. Here is an example of calculating the three electrical power to an electrical circuit.
Example 1: What is the value of power consumption in an electrical circuit which uses electrical current of 15 amps and a voltage of 220 volts?
Solution:
Step 1: P = I x U
Step 2: P = 15 x 220
Step 3: P = 3300 watts

Example 2: Determine kondumsi current used by an electric heating element 1000 watts (1 kW) and a voltage of 220 volts.
Solution:
Step 1: I = P / U
Step 2: I = 1000/220
Step 3: I = 4, 54 ampere

Example 3: Determine kondumsi power used by an electrical heating element which has a resistance of 100 ohm and 4 amperes of electrical current draw.
Solution:
Step 1: P = I2 x R
Step 2: P = 42 x 100
Step 3: P = 1600 watts

Issues
1. Prepare an experimental project like the picture below! The equipment required is as follows: (1) a voltage source or power supply U = 10 VDC – 12 VDC, (2) ampermeter DC with measuring limit of 100 mA – 300mA, (3) four resistors ceramic each R12, R23, R31 and R43 = 200-300 ohms. Determine the current value I1 in the calculations and compare it with the measurement results.
image

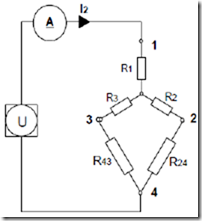
2. Prepare an experimental project design as shown below! You have to choose and determine their own equipment to be used. Calculate the currents I2 and compare it with the measurement results.
image

3. Prepare an experimental project design as shown below. You have to choose and determine their own equipment used Calculate the currents I3 and compare the results with metrics that you get from the experiment.
image