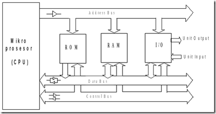
Mikroprosesor tidak dapat berdiri sendiri komponen ini dapat mengolah data, melakukan perhitungan, membutuhkan komponen yang lain, sehingga dinamakan sistem mikroprosesor ataupun mikrokomputer. Adapun arsitektur mikrokomputer dapat dilihat pada gambar dibawah ini:
Gambar 2 Arsitektur mikrokomputer
Mikroprosesor/CPU
Mikroprosesor atau CPU adalah “otak” yang merupakan pengendali utama semua operasi dalam sistem komputer. Mikroprosesor mengambil instruksi biner dari memori, menerjemahkannya menjadi serangkaian aksi dan menjalankannya. Aksi tersebut bisa berupa transfer data dari dan ke memori, operasi aritmatika dan logika, atau pembangkitan sinyal kendali. Pada system mikroprosesor terdapat jalur data, jalur alamat dan jalur pengendali control signal untuk mengintruksikan ke komponen lain nya.
Seperti pada gambar 2.3 tampilan mikroprosesor 8085, memiliki 8 bit artinya jalur data dari D0 sampai dengan D7, memililiki 16 jalur alamat dari A0 sampai dengan A15 dan memiliki jalur pengendali.
Gambar 3 Mikroprosesor 8085
Adapun CPU atau komponen CPU mempunyai 3 komponen internal utama yaitu ALU (Aritmatik Logic Unit), CU (control Unit), dan register. Dapat dilihat pada gambar dibawah ini salah satu gambar arsitektur mikroprosesor intel 8080
Gambar 4 Arsitektur internal mikroprosesor/CPU
a. ALU (Arithmetic and Logic Unit) Unit ini berfungsi untuk menangani operasi-operasi aritmatika (penjumlahan,pengurangan, perkalian, pembagian) dan operasi logika(and,or,exor dan lain-lain).
b. CU (Control Unit/ unit kendali) berfungsi mengatur semua proses internal (perpindahan data, penaganan interupsi, pengendalian jalannya program, pengendalian piranti masukan dan keluaran beserta daya (resourse) pada mikroprosesor.
c. Register pada dasarnya adalah memori yang dapat diakses dengan sangat cepat oleh mikroprosesor . Operasi-operasi aritmatika dan logika yang kompleks membutuhkan tempat penyimpanan sementara hasil dan tahapan operasi tersebut. Proses pemindahan data dari lokasi memori ke media penyimpanan juga memerlukan tempat penampungan sementara pada register.


