" /> Hukum Kirchoff Listrik - TN Elektro
Home > Teknik Listrik > Rangkaian Listrik Dasar > Hukum Kirchoff Listrik

Hukum Kirchoff Listrik

Untuk menyelesaikan perhitungan rangkaian listrik atau jala-jala, seorang ahli ilmu alam dari Jerman bernama Gustav Kirchoff telah menemukan dua cara yang kemudian cara ini menjadi hukum yang dikenal dengan “Hukum Kirchoff”.
Hukum Kirchoff I tentang Arus
Hukum Kirchoff I untuk rangkaian atau jala-jala listrik berbunyi : “Jumlah aljabar dari arus listrik pada suatu titik percabangan selalu sama dengan nol” Dalam gambar 4.1 menerangkan hukum Kirchoff I sebagai berikut :
image
Gambar 4.3 Titik percabangan arus

Dari gambar di atas arah arus I2 dan I3 berlawanan dengan arah arus I1, I4, dan I5. Jadi pada titik percabangan A berlaku :
I1 + I4 + I5 – I2 – I3 = 0 atau I1 + I4 + I5 = I2 + I3
Sehingga persamaan untuk Hukum Kirchoff dapat ditulis dengan bentuk umum
Ʃ I  = 0

Contoh penerapan Hukum Kirchoff 1 adalah seperti rangkaian dibawah ini yang merupakan aplikasi sebagai pembagi arus.
image
Gambar 4.4. Gambar Rangkaian Pembagi Arus

Persamaan-persamaan yang didapatkan dari rangkaian di atas adalah sebagai berikut :
Arus  i = i1 + i2 dan Tegangan  V = i1 . R1 = i2 . R2

Hukum Kirchoff II tentang tegangan
Hukum Kirchoff II ini berhubungan dengan rangkaian listrik tertutup yang menyatakan : “Di dalam rangkaian tertutup, jumlah aljabar antara tegangan (V) dengan kerugian-kerugian tegangan selalu sama dengan nol” Hukum ini secara umum dapat ditulis dengan rumus : ΣV =Σ R x I Dalam gambar 4.5 dengan tidak memperhatikan kerugian tegangan di dalam baterai (tahanan dalam baterai dianggap kecil) maka : V – (I.R) = 0 atau E = I. R Ini sesuai dengan Hukum Ohm.
image
Gambar 4.5 Rangkaian listrik tertutup

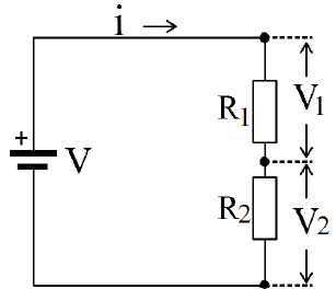
Dalam rangkain listrik arus searah untuk meperoleh suatu tegangan tertentu dapat menggunakan suatu kombinasi tahanan tertentu , rangkaian seperti ini disebut rangkaian pembagi tegangan. Rangkaian pembagi Tegangan yang sederhana dapat ditunjukkan oleh gambar 4.6 dibawah ini
image
Gambar 4.6. Rangkaian Pembagi Tegangan

Besarnya arus yang mengalir dalam rangkaian adalah
image

Tegangan pada R1 adalah                                  Tegangan pada R2 adalah
image