" /> Sistem Kontrol Archives - Page 2 of 4 - TN Mikro
Home > Sistem Kontrol (page 2)

Sistem Kontrol

Mikrokontroler AT89S51

AT89S51 mempunyai konsumsi daya rendah, mikrokontroller 8-bit CMOS dengan 4K byte memori Flash ISP (In System Programmable/ dapat diprogram didalam sistem). Pada gambar ditunjukkan bentuk fisik dan konfigurasi pin dari sebuah mikrokontroler seri AT89Sxx.   Gambar 13 Mikrokontroler DESKRIPSI PIN : VCC Tegangan Supply pada pin 40 GND Ground pada pin 20 Port0 pada pin 32 sampai dengan pin 39. ...

Read More »

Perkembangan Mikroprosesor

Istilah mikroprosesor berasal dari kata microprossesor, yang secara kasar artinya pemroses mikro atau pengolah mikro. Secara fisisk dapat diartikan sebuah chip atau keping kecil yang merupakan perpaduan suatu rangkaian elektronika yang rumit yang dirancang untuk mengerjakan pekerjaan-pekerjaan yang kompleks. Mikroprosesor lebih dikenal dengan sebutan CPU atau Central Processing Unit adalah sebuah rangkaian terintegrasi (IC) sebagai unit mesin pengolah yang bekerja ...

Read More »

Compiler MIDE Studio

Pemrograman Mikrokontroler AT89S/XX Setelah kalian memahani hal-hal dasar berkenaan dengan mikrokontroler, diantaranya arsitektur MK meliputi CPU, memori, I/O port, dan periperal tambahan, selanjutnya mengetahui berbagai istilah dan bagian umum dari pin-pin MK. Bagian penting selanjutnya adalah teknik pemrograman dan hal yang terkait dengan pemrogramana. Perkembangan pemrograman sangat cepat seiring dengan perkembangan teknologi mikrokontroler itu sensdiri. Diawali dengan bahasa assembler samapai ...

Read More »

Antarmuka Mikrokontroler Dengan Keyboard

Keyboard digunakan untuk memasukkan data, nilai dan lain-lain ke dalam system mikrokontroler. Keyboard umumnya terdapat dalam tiga konfigurasi yaitu: keyboard linier, keyboard matrix dan keyboard yang dikodekan. Keyboard linier digunakan ketika jumlah masukan yang akan diberikan sedikit. Keyboard yang secara umum digunakan adalah keyboard matrix. Ketika keyboard dihubungkan ke mikrokontroler, faktor-faktor berikut harus dipertimbangkan, 1. Kontak Bounce (pantulan) Kontak bounce ...

Read More »

Set Instruksi Pemrograman Assembler

Keluarga MCS-51 memiliki 111 perintah dengan 49 buah tipe perintah single-byte, 45 buah tipe perintah dua-byte, dan 17 buah tipe perintah tiga-byte. Perintah ini dapat dikelompokkan dalam empat kelompok berdasarkan fungsinya. MCS-51 memiliki instruksi dengan jumlah yang cukup banyak. Instruksi-instruksi tersebut dapat dimasukkan ke dalam beberapa golongan . Daftar kelompok tersebut dapat dilihat pada table di bawah ini: 1. Instruksi ...

Read More »

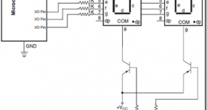
Antarmuka Mikrokontroler Dengan Seven-Segment

Seven-segment biasanya berisi LED yang disusun dengan pola angka delapan. Gambar 1.26 menunjukan konfigurasi dari antarmnuka 7-segment common cathode (CC) dengan mikrokontroler.IC CD4511 adalah IC decoder BCD ke 7-segment. Mikrokontroler memberikan kode BCD yang ekuivalen dengan digit yang akan ditampikkan 7-segment melalui ke IC 4511. Display Seven-Segment dapat juga dihubungkan secara langsung tanpa menggunakan decoder BCD ke seven-segment. Dalam hal ...

Read More »