" /> Sistem Kontrol Archives - Page 3 of 4 - TN Mikro
Home > Sistem Kontrol (page 3)

Sistem Kontrol

Bahasa Assembly di Mikrokontroler

Pemrograman menggunakan bahasa assembly (bahasa tingkat rendah) memerlukan pemahaman register, termasuk didalamnya nama setiap register dari chip kontroler yang digunakan dan struktur register itu sendiri. Secara fisik, kerja dari sebuah mikrokontroler dapat dijelaskan sebagai siklus pembacaan instruksi yang tersimpan di dalam memori. Mikrokontroler menentukan alamat dari memori program yang akan dibaca, dan melakukan proses baca data di memori. Data yang ...

Read More »

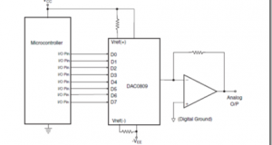
Antarmuka Mikrokontroler Dengan Pengubah

a. Antarmuka Pengubah A/D Pengubah A/D digunakan untuk menfasilitasi antarmuka mikrokontroler dengan sinyal analog.Gambar 1.31 menunjukan antarmuka pengubah A/D jenis AD571 dengan mikrokontroler.AD571 adalah pengubah A/D delapan-bit. Seperti dapat dilihat ari , bahwa output data dan kontrol dari pengubah A/D dihubungkan pin I/O mikrokontroler. Mikrokontroler mengirim perintah seperti mulai konversi, memilih kanalinput jika pengubah A/D mempunyai kanal input lebih dri ...

Read More »

Simulasi Menggunakan Software Proteus ISIS

Pada saat kita melakukan percobaan mikrokontroler terkadang kita mengalami beberapa kendala baik di programnya atau di hardwarenya, maka akan terdapat dua kemungkinan masalah : 1. Hardware yang tidak berfungsi, atau 2. Program yang di buat salah 3. Perpaduan keduanya Untuk mengatasi hal tersebut, kita harus melokalisir manakah yang salah dari sistem mikrokontroler kita apakah program ataukah perangkat kerasnya ?. Untuk ...

Read More »

Arsitektur Mikrokontroler AT89S51

Adapun arsitektur dari mikrokontroler AT89S51 dapat dilihat sebagai berikut : Gambar 15 Diagram blok mikrokontroler 89S51 Dan arsitektur memori mikrokontroler 8051 dapat dilihat pada gambar Gambar 16 Arsitektur Memori Mikrokontroller 8051   Fasilitas Timer dan Counter Banyak aplikasi mikrokontroler memerlukan penghitungan dari kejadian eksternal, seperti frekuensi dari pulsa atau pembangkitan tunda waktu internal antar komputer. Kedua contoh tersebut dapat dilakukan ...

Read More »

Interupsi Mikrokontroler

Interupsi adalah kejadian atau peristiwa yang menyebabkab mikrokontroler berhenti sejenak untuk melayani interupsi tersebut. Program yang dijalankan pada saat melayani interupsi di sebut Interrupt Service Routine (Rutin Layanan Interupsi). Analoginya adalah sebagai berikut: seseorang sedang mengetik laporan ,mendadak telepon berdering dan menginterupsi orang tersebut sehingga menghentikan pekerjaan mengetik lalu mengangkat telepon setelah pembicaraan di telepon selesai, maka dia melanjutkan pengerjaan ...

Read More »

Simulasi Menggunakan Proteus ISIS Bagian II

 Jika kita akan mensimulasikan program yang telah dibuat pada software MIDE dan di compile menjadi file hex. Kalian harus mengingatnya di simpan dimana file tersebut. Untuk dapat mendownload program tadi pada gambar rangkaian di proteus isis maka klik 2 kali atau double klik pada gambar mikrokontrolernya, setelah tampil seperti gambar 2.43. Tempatkan cursor di posisi program file, browse file ...

Read More »